電流平衡保護原理圖
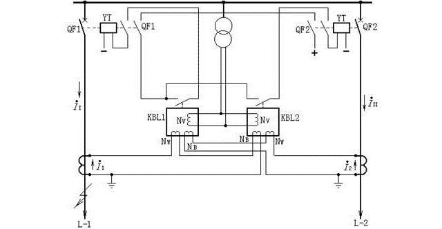
電流平衡保護是橫聯差動保護的另一種形式,它是按比較雙回線路中電流的絕對值而工作的,如圖18所示。電流平衡繼電器KBL1、KBL2各有一個工作線圈匝Nw,一個制動線圈匝NB和一個電壓線圈匝Nv。KBL1的工作線圈接于線路L-1電流互感器的二次側,由電流I1產生動作力矩Mw1,其制動線圈接于線路L-2電流互感器的二次側,由電流I1產生動作力矩MB1。KBL2的工作線圈接于線路L-2電流互感器的二次側,由I2產生動作力矩Mw2,其制動線圈接于線路L-1電流互感器的二次側,由I1產生動作力矩MB2。KBL1、KBL2的電壓線圈均接于母線電壓互感器的二次側。繼電器的動作條件是Mw>MB+Mv(Mv為電壓線圈中產生的力矩)。
正常運行及外部短路時,由于II=I2,KBL1、KBL2由于其反作用力矩Mv和繼電器內彈簧反作用力矩Ms的作用,使觸點保持在斷開位置,保護不會動作。
當一回線路發生故障(如線路L-1的K點),由于II>I2,并由于電壓大大降低,電壓線圈的反作用力矩顯著減少,因此KBL1中由II產生的動作力矩Mw1大于I2產生的制動力矩MB1與電壓產生的制動力矩Mv之和,所以KBL1動作,切除故障線路L-1;對于KBL2,由于流過其制動線圈的電流II大于工作線圈流過電流I2,即制動力矩大于動作力矩,所以它不會動作。
必須指出,單端電源的雙回線路上,平衡保護只能裝于送電側,受電側不能裝設。因為任一回線路短路,流過受電側兩個平衡繼電器的工作線圈和制動線圈的電流大小是相等的,保護將不起作用。
由于雙回平行線橫聯差動保護及平衡保護,在靠近對側出口短路時,本側兩條線路流過的電流,其電流的橫差值,不足以啟動保護,只有等待對側的保護動作,切除故障后,本側的非故障線電流降為零,才由故障線電流啟動本側保護,切除故障線路。這種情況被稱為相繼動作。線路上相繼動作區域大小與保護整定值及短路電流有關。
橫聯差動保護,其方向繼電器接有母線電壓,在平行線路出口三相短路時,電壓為零,如方向繼電器的電壓回路沒有良好的記憶作用,便會誤動,稱為電壓死區。
變壓器瓦斯保護原理接線圖
變壓器瓦斯保護的主要元件就是瓦斯繼電器,它安裝在油箱與油枕之間的連接管中。當變壓器發生內部故障時,因油的膨脹和所產生的瓦斯氣體沿連接管經瓦斯繼電器向油枕中流動。若流動的速度達到一定值時,瓦斯繼電器內部的擋板被沖動,并向一方傾斜,使瓦斯繼電器的觸點閉合,接通跳閘回路或發出信號,如圖19所示:瓦斯繼電器KG的上觸點接至信號,為輕瓦斯保護;下觸點為重瓦斯保護,經信號繼電器KS、連接片XE起動出口中間繼電器KOM,KOM的兩對觸點閉合后,分別使斷路器QF1、QF2、跳閘線圈勵磁。跳開變壓器兩側斷路器,即:
直流+ → KG → KS → XE → KOM → 直流-,起動KOM。
直流+ → KOM → QF1 → YT → 直流-,跳開斷路器QF1。
直流+ → KOM → QF2 → YT → 直流-,跳開斷路器QF2。
再有,連接片XE也可接至電阻R,使重瓦斯保護不投跳閘而只發信號。
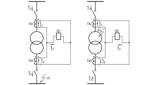
雙繞組變壓器縱差保護單線原理圖
變壓器縱差保護是按循環電流原理構成的,它能正確區分變壓器內、外故障,并能瞬時切除保護區內的故障。圖20表示雙繞組變壓器縱差保護的單線原理圖。變壓器兩側分別裝設電流互感器TA1和TA2,并按圖中所示極性關系進行連接。
正常運行或外部(如圖20a中d1點)故障時,差動繼電器KD中的電流等于兩側電流互感器二次電流之差,要使這種情況下流過差動繼電器的電流為零,應恰當選擇兩側電流互感器的變比。由于二次額定電流一般為5A,所以電流互感器的變比為:一次額定電流/二次額定電流,UN/5。忽略變壓器的勵磁電流,則在正常運行或外部故障時,流入差動繼電器的電流為零。
當變壓器內部,如圖20b中d2點故障時,流入差動繼電器的電流為變壓器兩側流向短路點的短路電流(二次值)之和。
實際上,由于變壓器的勵磁涌流、接線方式和電流互感器的誤差等因素的影響,差動繼電器中會流過不平衡電流,不平衡電流越大,繼電器的動作電流越大,致使縱差保護的靈敏度降低。因此縱差保護需要解決的主要問題之一是采取各種措施避免不平衡電流的影響,在保證選擇性的條件下,還要保證內部故障時有足夠的靈敏性和速動性。
圖20b 雙繞組變壓器縱差保護單線原理圖(內部故障時)
復合電壓啟動的過電流保護原理圖
圖21中,當保護區內發生不對稱故障,系統出現負序電壓,負序過濾器13有電壓輸出使繼電器7常閉觸點打開,欠壓繼電器8失壓,常閉觸點閉合,接通中間繼電器9,若電流繼電器4、5、6任何一個動作,則啟動時間繼電器10,經過整定時限后,跳開兩側斷路器。在對稱短路情況下,電壓繼電器7不啟動,但欠壓繼電器8因電壓降低,常閉觸點接通,保護啟動。
負序電壓整定值,可取額定電壓的6%;電流整定值,可取大于變壓器額定電流,但不必大于最大電流(例如并聯運行的變壓器斷開一臺時)。
單電源三繞組過電流保護原理接線圖
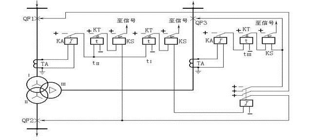
三繞組變壓器外部故障時,其過電流保護應有選擇性地斷開故障側斷路器。而使其余兩側繼續正常運行,為此,應按如下原則來實現過流保護。
1、對單側電源三繞組變壓器(如圖11所示),應裝設兩套過電流保護。一套裝于負荷側,如繞組Ⅰ、Ⅱ、Ⅲ,其動作時限tⅢ最小,保護動作僅跳開QF3。另一套裝在電源側,如繞組Ⅰ,它設兩級時限tⅠ和tⅡ,tⅡ= tⅢ+Δt,用以切除QF2;而tⅠ= tⅡ+Δt,用以切除高、中、低三側斷路器。
2、對兩端或三端電源的變壓器,三側均應設過電流保護,并根據計算值在動作時限小的電源側加裝方向元件,以保證動作的選擇性。
變壓器零序電流保護原理接線圖
對大電流接地系統中的變壓器裝設的接地零序電流保護,作為變壓器主保護的后備保護及相鄰元件接地短路的后備保護。
如圖所示:正常情況下,3Io=0,TA中沒有電流通過,零序電流保護不動作發生接地短路時出現零序電流,當它大于保護的動作電流時,電流繼電器KA動作,經KT延時后,跳開變壓器兩側斷路器。零序電流保護的動作電流,應大于該側出線零序電流保護后備段的動作電流。保護的動作時限也要比后者大一個Δt。
變壓器中性點直接接地零序電流保護和中性點間隙接地保護的原理接線圖
目前大電流接地系統普遍采用分級絕緣的變壓器,當變電站有兩臺及以上的分級絕緣的變壓器并列運行時,通常只考慮一部分變壓器中性點接地,而另一部分變壓器的中性點則經間隙接地運行,以防止故障過程中所產生的過電壓破壞變壓器的絕緣。為保證接地點數目的穩定,當接地變壓器退出運行時,應將經間隙接地的變壓器轉為接地運行。由此可見并列運行的分級絕緣的變壓器同時存在接地和經間隙接地兩種運行方式。為此應配置中性點直接接地零序電流保護和中性點間隙接地保護。這兩種保護的原理接線如圖24所示。
中性點直接接地零序電流保護:中性點直接接地零序電流保護一般分為兩段,第一段由電流繼電器1、時間繼電器2、信號繼電器3及壓板4組成,其定值與出線的接地保護第一段相配合,0.5s切母聯斷路器。第二段由電流繼電器5、時間繼電器6、信號繼電器7和8壓板9和10等元件組成,。定值與出線接地保護的最后一段相配合,以短延時切除母聯斷路器及主變壓器高壓側斷路器,長延時切除主變壓器三側斷路器。
中性點間隙接地保護:當變電站的母線或線路發生接地短路,若故障元件的保護拒動,則中性點接地變壓器的零序電流保護動作將母聯斷路器斷開,如故障點在中性點經間隙接地的變壓器所在的系統中,此局部系統變成中性點不接地系統,此時中性點的電位將升至相電壓,分級絕緣變壓器的絕緣會遭到破壞,中性點間隙接地保護的任務就是在中性點電壓升高至危及中性點絕緣之前,可靠地將變壓器切除,以保證變壓器的絕緣不受破壞。間隙接地保護包括零序電流保護和零序過電壓保護,兩種保護互為備用。
零序電流保護由電流繼電器12、時間繼電器13、信號繼電器14和壓板15組成。一次啟動電流通常取100A左右,時間取0.5s。110kV變壓器中性點放電間隙長度根據其絕緣可取115~158mm,擊穿電壓可取63kV(有效值)。當中性點電壓超過擊穿電壓(還沒有達到危及變壓器中性點絕緣的電壓)時,間隙擊穿,中性點有零序電流通過,保護啟動后,經0.5s延時切變壓器三側斷路器。
零序電壓保護由過電壓繼電器16、時間繼電器17、信號繼電器18及壓板19組成,電壓定植按躲過接地故障母線上出現的最高零序電壓整定,110kV系統一般取150V;當接地點的選擇有困難、接地故障母線3Uo電壓較高時,也可整定為180V,動作時間取0.5s。
三相一次自動重合閘裝置原理接線圖
架空線路的短路故障多為瞬時性的,當保護跳閘切除故障后,短路點的絕緣經常可恢復,便可利用自動重合閘繼電器KAC,使斷路器自動再合閘,即可恢復再送電,這種重合的成功率,多不低于70%。110kV線路,一般均應裝設三相一次重合閘裝置,三相一次重合閘裝置的展開圖如圖25所示。
1、線路正常運行,開關處于合閘狀態,QF3常閉觸點斷開,控制開關SA在合閘后位置,其觸點21、23接通,信號燈HL亮,電容C經充電電阻R4充電,經15-25s時間,充電至額定的直流電壓,這時KAC處于準備動作狀態。
2、線路發生瞬間故障,保護動作使開關跳閘,其輔助常閉觸點QF3閉合,由于SA還處于“合閘”位置,其觸點21、23仍導通,所以重合閘由開關的輔助觸點與SA觸點不對應啟動,時間繼電器KT經本身的瞬時常閉觸點KT2瞬時斷開,使限流電阻R5串入KT線圈電路中,這時KT繼續保持動作狀態,經整定的延時,以保證線路故障點的絕緣恢復和開關準備再次合閘,當KT的常開觸點KT1接通,構成了電容C對中間繼電器KM電壓線圈的放電回路。KM動作,其常開觸點閉合,使操作電源經KM2、KM1觸點、KM電流自保持線圈、信號繼電器KS和壓板XE1向合閘接觸器KMC發出合閘脈沖,斷路器合閘。同時由KS給出重合閘動作信號。斷路器合上后,若是瞬時性故障,重合成功。輔助觸點QF2、QF3斷開,繼電器KS、KT相繼返回,其觸點打開。電容C重新充電,經15~25s時間充好電,準備下一次動作。這說明裝置是能夠自動復歸的。
3、斷路器重合于永久性故障時,保護再次動作,使斷路器跳閘,KAC重新啟動,KT觸點閉合,旁路了電容充電,中間繼電器KM不會起動,保證了只重合一次。
4、手動跳閘時,控制開關SA處于“跳閘”后位置,此時SA觸點21-23斷開,KAC不啟動;同時,2、4觸點閉合,使電容C對R6放電,KM不能動作。因此,手動跳閘不重合。
5、手動合閘于線路故障,保護動作于跳閘,電容C來不及充電到KM動作所需要的電壓,不會起動重合閘。
6、為防止KAC出口中間繼電器KM觸點KM2與KM1被卡住,而出現斷路器多次重合于故障線路上(即“跳躍”),可采用“防跳”措施。
(1)采用兩對常開觸點KM1和KM2串聯,若其中一對觸點卡住,另一對能正常斷開,不至發生斷路器“跳躍”現象。
(2)在斷路器跳閘線圈YT回路中,又串接了防跳繼電器KL的電流線圈,當斷路器事故跳閘時,KL動作。當KM兩個串聯的常開觸點被粘住時,KL的電壓線圈經自身的常開觸點KL1而帶電自保持,從而使其常閉觸點KL2、KL3也保持斷開,使合閘接觸器KMC不會接通,達到了“防跳”的目的。
當線路低頻減載及母線差動等保護裝置動作后不需重合閘時,設重合閘閉鎖回路。
雙側電源重合閘裝置,還應防止兩側電源的非同期合閘。對于單回聯絡線,可在重合閘的“不對應”啟動回路中,串入同期或無壓檢定繼電器的觸點,只有當線路跳閘后線路無壓,或對側與本側在同期情況下,才能啟動重合閘裝置;若是雙回平行聯絡線,可以用上述同期或無壓檢定,也可用平行另一回線有電流才允許啟動重合閘的電流檢定方式。
圖26為重合閘后加速原理接線圖,當重合在永久性故障時,加速繼電器KACC旁路了KT的觸點,可以使重合于故障后,瞬時跳閘。
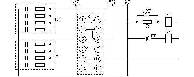
自動按頻率減負荷裝置(LALF)原理接線圖
不在檢查位置時,ZK觸點1-2、5-6、9-10接通,其他觸點斷開。此時1C和2C的正極分別接至+WC1和+WC2,各自作本回路跳閘電源。
旋ZK到檢查I組電容器位置時,觸點1-4、5-8、9-12接通,其他觸點斷開。此時2C正極同時接至+WC1和+WC2,作兩回路的跳閘電源。
1C正極接至KT線圈右端,使KT線圈加上1C動作,經一定時間接通KV,若1C的電壓足夠,則KV啟動,信號燈亮,證明電容器組滿足要求。反之,責說明電容量降低或有斷路存在,應逐一檢查更換。
旋ZK到檢查II組電容器位置時,觸點3-2、7-6、10-11接通,其他觸點斷開。此時1C作兩回路的跳閘電源,2C被檢查。
小電流接地系統交流絕緣監視的原理接線圖
交流絕緣監視的工作原理為,TV是母線電壓互感器(三相五柱或三個單相組),其一次中性點接地,正常時每相繞組對地電壓為額定相電壓,故二次星形每相繞組電壓是100/√3V,開口三角形每相繞組電壓是100/3V。
當一次系統中A相發生接地時,一次A相繞組電壓降到零,其他兩相繞組的電壓升高到線電壓。二次星形繞組的A相繞組電壓降到零,其他兩相繞組的電壓升高到100V。
三個電壓表中,A相電壓表指示零、另兩相指示線電壓,由此得知一次系統A相接地。二次開口三角形的A相繞組電壓降到零,其他兩繞組的電壓升高到100/3V,三角形開口兩端電壓升高到100V。加在電壓繼電器KV上的電壓由正常時的零伏升高到100V,KV動作發出信號。
變壓器強油循環風冷卻器工作和備用電源自動切換回路接線圖
如圖29所示,變壓器投入電網之前,先將SA開關手柄置于I工作II備用,或者II工作I備用位置。
當變壓器投入電網時,1KM常閉觸點接通;1KV1、2KV1帶電,常開觸點接通,起動1KV、2KV使常閉觸點斷開;假定SA開關手柄在I位,則SA1-2接通起動1KL接觸器,1KL主觸頭閉合由工作電源(I)供電。2KL線圈回路被1KL常閉觸點斷開(閉鎖了)。
當工作電源(I)由于某種原因停電,1KL線圈斷電,1KL主觸頭斷開工作電源(I),1KL常閉觸點接通,1KV斷電常閉觸點接通,再經SA5-6觸點動作2KL接觸器,2KL主觸頭閉合由工作電源(II)供電。
假如工作電源(I)恢復供電時,1KV1動作起動,1KV動作,1KV常閉觸點斷開使2KL斷電,2KL的主觸頭斷開工作電源(II),2KL常閉觸點起動1KL,1KL的主觸頭閉合由工作電源(I)供電。
變電站事故照明原理圖
平時交流接觸器線圈1KL是接通的,正常時事故照明是由380/22V的交流電源供電。
當交流電源發生故障,任何一相失去電壓時,電壓繼電器1KV、2KV、3KV之一失去勵磁,該電壓繼電器的常開觸點斷開,常閉觸點閉合,使交流接觸器1KL的銜鐵線圈失磁,1KL主觸頭就斷開,A、B、C三相母線與交流電源脫離聯系。當1KL斷開后,其常閉觸點1KL閉合,而1KV、2KV、3KV之一的常閉觸點已閉合。
所以交流接觸器2KL的銜鐵線圈勵磁,2KL主觸頭就接通,其常開觸點2KL閉合,使直流接觸器3KL的銜鐵線圈勵磁,3KL主觸頭接通,事故照明被切換到直流電源上。
當三相交流電源都恢復時,電壓繼電器1KV、2KV、3KV都被勵磁,其三個常閉觸點均斷開,3KL的銜鐵線圈失磁,3KL主觸頭斷開,三相母線觸點與直流電源脫離關系。此時3KL的常閉觸點接通,由于1KV、2KV、3KV的三個常開觸點已閉合,使1KL的銜鐵線圈勵磁,1KL主觸頭接通,事故照明恢復為三相交流電源供電。
開關事故跳閘音響回路接線圖
1、利用開關的一對常閉輔助觸點QF,控制開關SA1-3、SA17-19兩對觸點和附加電阻串聯組成。正常的開關輔助觸點QF在斷開位置,事故時開關跳閘輔助觸點QF閉合,瞬時事故警報回路接通,發出跳閘警報信號。
2、利用開關合閘回路的跳閘位置繼電器KTP的一對常開輔助觸點,控制開關SA1-3、SA17-19兩對觸點和附加電阻R串聯組成。正常運行跳閘位置繼電器在失磁狀態,其觸點在斷開位置,當事故跳閘后KTP常開觸點閉合,瞬時接通事故跳閘音響回路,發出跳閘警報信號。

圖31 開關事故跳閘音響回路接線圖
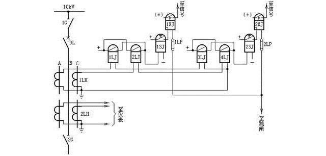
二次回路的原理圖是體現二次回路工作原理的圖紙,并且是繪制展開圖和安裝圖的基礎。在原理接線圖中,與二次回路有關的一次設備和一次回路,是同二次設備和二次回路畫在一起的。因此,所有的一次設備(例如變壓器、斷路器等)和二次設備(如繼電器、儀表等),都以整體的形式在圖紙中表示出來,例如相互連接的電流回路、電壓回路、直流回路等都是綜合在一起的。因此,這種接線圖的特點是能夠使看圖者對整個二次回路的構成以及動作過程,都有一個明確的整體概念。現以某10kV線路的繼電保護裝置為例加以說明,見圖32。
從圖中可知,整套保護裝置包括,時限速斷保護,它由電流繼電器1LJ、2LJ,時間繼電器1SJ及信號繼電器1XJ,連接片1LP所組成;過電流保護,它由電流繼電器3LJ、4LJ,時間繼電器2SJ,信號繼電器2XJ,連接片2LP所組成。當線路發生A、B兩相短路時,其動作過程如下:
若故障點在時限速斷及過流保護的保護范圍內,因A相裝有電流互感器1LH,其二次反應出短路電流,使時限速斷保護的電流繼電器1LJ和過電流保護的電流繼電器3LJ均起動。1LJ、3LJ的常開觸點閉合,將直流正電源分別加在1SJ、2SJ的線圈上,使兩個時間繼電器均起動。又因時限速斷保護的動作時間小于過電流保護的動作時間,所以1SJ的延時常開觸點先閉合,并經信號繼電器1XJ及連接片1LP到斷路器DL的跳閘線圈,跳開斷路器,切除故障。
從圖32中可以看出,一次設備(如DL、1G等)和二次設備(如1LJ、1SJ、1XJ等)都以完整的圖形符號表示出來,能使我們對整套繼電保護裝置的工作原理有一個整體概念。但是這種圖存在著許多缺點:
1、只能表示出繼電保護裝置的主要元件,而對細節之處則無法表示。
2、不能反映繼電器之間連接線的實際位置,不便維護和調試。
3、沒有反映出各元件內部的接線情況,如端子編號、回路編號等。
4、標出的直流“正”、“負”極比較分散,不易看圖。
5、對于較復雜的繼電保護裝置(例如距離保護等)很難用原理接線圖表示出來,即使畫出了圖,也很難看清。因此,在實際工作中廣泛采用展開圖。
繼電保護直流回路展開圖
直流回路展開圖按其作用可分為繼電保護回路、信號回路、控制回路等。現以繼電保護回路為例加以說明,如圖33所示。圖的左邊為保護裝置的邏輯回路,右邊相對于邏輯回路標有繼電保護裝置的種類及回路名稱。如過電流、速斷、瓦斯等。
從圖中很容易看清繼電保護的動作過程。例如速斷保護,當速斷保護的電流繼電器1LJ或2LJ動作后,直流正電源就加到了信號繼電器3XJ和保護出口繼電器1BCJ線圈上。1BCJ動作后,分別跳開1DL、2DL斷路器。
從圖33中可知,展開圖的接線清晰、易于閱讀,便于掌握整套繼電保護裝置的動作過程和工作原理,特別是在復雜的繼電保護裝置的二次回路中,用展開圖繪制,其優點更為突出。
推薦閱讀
電工必讀的30個高壓電氣二次回路圖(第一部)
