直流母線電壓監視裝置電路圖
直流母線電壓監視裝置主要是反映直流電源電壓的高低。KV1是低電壓監視繼電器,正常電壓KV1勵磁,其常閉觸點斷開,當電壓降低到整定值時, KV1失磁,其常閉觸點閉合, HP1光字牌亮,發出音響信號。KV2是過電壓繼電器,正常電壓時KV2失磁,其常開觸點在斷開位置,當電壓過高超過整定值時KV2勵磁,其常開觸點閉合, HP2光字牌亮,發出音響信號。

圖1 直流母線電壓監視裝置電路圖
直流絕緣監視裝置接線圖
圖2是常用的絕緣監察裝置接線圖,正常時,電壓表1PV開路,而使ST1的觸點5-7、9-11(ST1的1-3、2-4斷開)與ST2的觸點9-11接通,投入接地繼電器KA。當正極或負極絕緣下降到一定值時,電橋不平衡使KA動作,經KM而發出信號(若正、負極對地的絕緣電阻相等時,不管絕緣下降多少,KA不可能動作,就不能發出信號,這是其缺點)。此時,可用2PV進行檢查,確定是哪一極的絕緣下降(測“+”對地時,ST2的2-1、6-5接通;測“-”對地時,ST2的1-4、5-8接通。正常時,母線電壓表轉換開關ST2的2-1、5-8、9-11接通,電壓表2PV可測正、負母線間電壓,指示為220V),若正極對地絕緣下降,則投ST1 I檔,其觸點1-3、13-14接通,調節R3至電橋平衡電壓表1PV指示為零伏;再將ST1投至II檔,此時其觸點2-4、14-15接通,即可從1PV上讀出直流系統的對地總絕緣電阻值。若為負極對地絕緣下降,則先將ST1放在II檔,調節3R至電橋平衡,再將ST1投至I檔,讀出直流系統的對地總絕緣電阻值。假如正極發生接地,則正極對地電壓等于零。而負極對地指示為220V,反之當負極發生接地時,情況與之相反。電壓表1PV用作測量直流系統的總絕緣電阻,盤面上畫有電阻刻度。
由于在這種絕緣監察裝置中有一個人工接地點,為防其它繼電器誤動,要求電流繼電器KA有足夠大的電阻值,一般選30kΩ,而其啟動電流為1.4mA,當任一極絕緣電阻下降到20 kΩ時,即能發出信號。對地絕緣下降和發生接地是兩種情況。

圖2 直流絕緣監視裝置接線圖
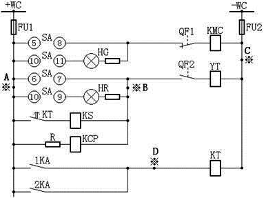
直流接地危害圖
直流系統在變電站中具有重要的位置。要保證一個變電站長期安全運行,其因素是多方面的,其中直流系統的絕緣問題是不容忽視的。變電站的直流系統比較復雜,通過電纜溝與室外配電裝置的端子排、端子箱、操作機構箱等相連接,因電纜破損、絕緣老化、受潮等原因發生接地的可能性較多,發生一極接地時,由于沒有短路電流,熔斷器不會熔斷,仍可繼續運行,但也必須及時發現、及時消除。通常,要求直流系統的各種小母線、端子回路、二次電纜對地的絕緣電阻值,用500V搖表測量其值不得小于0.5MΩ。直流回路絕緣的好壞必須經常地進行監視。否則,會給運行帶來許多不安全因素。
現以圖3為例說明直流接地的危害。當圖中A點與C點同時有接地出現時,等于+WC、-WC通過大地形成短路回路,可能會使熔斷器FU1和FU2熔斷而失去保護電源;當B點與C點同時有接地出現時,等于將跳閘線圈短路,即使保護正常動作,YT跳閘線圈短路,即使保護正常動作,YT跳閘線圈也不會起動,斷路器就不會跳閘,因此在有故障的情況下就要越級跳閘;當A點與B點或A點與D點,同時接地時,就會使保護誤動作而造成斷路器跳閘。直流接地的危害不僅僅是以上所談的幾點,還有許多,在此不一一作介紹了。
因為發生直流接地將產生許多害處,所以對直流系統專門設計一套監視其絕緣狀況的裝置,讓它及時地將直流系統的故障提示給值班人員,以便迅速檢查處理。

圖3 直流接地示意圖
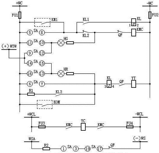
具有燈光監視的斷路器控制回路圖
圖4中:+WC、-WC為控制母線;FU1、FU2為熔斷器,R1-10/6型,250V;SA為控制開關,LW2-1a.4.6a.40.20.20/F8型;HG為綠色信號燈具,XD2型,附2500Ω電阻;HR為紅色信號燈具,XD2型,附2500Ω電阻;KL為中間繼電器,DZB-115/220V型;KMC為接觸器; KOM為保護出口繼電器;QF為斷路器輔助開關;WCL為合閘小母線;WSA為事故跳閘小母線;WS為信號小母線;YT為斷路器跳閘線圈;YC為斷路器合閘線圈;FU1、FU2為熔斷器,RM10-60/25 250V;R1為附加電阻,ZG11-25型,1Ω;R2為附加電阻,ZG11-25型,1000Ω;(+)WTW為閃光小母線。
“跳閘后”位置
當SA的手柄在“跳閘后”位置,斷路器在跳閘位置時,其常閉觸點閉合,+WC經FU1→ SA11-10 → HG及附加電阻 → QF(常閉)→KM線圈 → FU2 → -WC。此時,綠色信號燈回路接通,綠燈亮,它表示斷路器正處于跳閘后位置,同時表示電源、熔斷器、輔助觸點及合閘回路完好,可以進行合閘操作。但KMC不會動作,因電壓主要降在HG及附加電阻上。
“預備合閘”位置
當SA的手柄順時針方向旋轉90o至“預備合閘”位置,SA9-10接通,綠燈HG回路由(+)WTW → SA9-10 → HG → QF(常閉)→ KMC → FU2 → -WC導通,綠燈閃光,發出預備合閘信號,但KMC仍不會啟動,因回路中串有HG和R。
“合閘”位置
當SA的手柄再順時針方向旋轉45o至“合閘”位置時,SA5-8觸點接通,接觸器KMC回路由+WC → SA5-8 → KL2(常閉)→ QF(常閉)→ KMC線圈 → -WC導通而啟動,閉合其在合閘線圈回路中的觸點,使斷路器合閘。斷路器合閘后,QF常閉觸點打開、常開觸點閉合。
“合閘后”位置
松手后,SA的手柄自動反時針方向轉動45o,復歸至垂直(即“合閘后”)位置,SA16-13觸點接通。此時,紅燈HR回路由FU1 → SA16-13 → HR → KL線圈 → QF(常開) → YT線圈 → FU2 → -WC導通,紅燈亮,指示斷路器處于合閘位置,同時表示跳閘回路完好,可以進行跳閘。
“預備跳閘”位置
SA手柄在“預備跳閘”位置時,SA13-14導通,經(+)WTW → HR → KL → QF常開觸點 → YT → -WC回路,紅燈閃光,發出預備合閘信號。
“跳閘”位置
將SA手柄反時針方向轉45o至“跳閘”位置,SA6-7導通,HR及R被短接,經+WC → SA6-7 KL → QF常開觸點→ -WC,使YT勵磁,斷路器跳閘。斷路器跳閘后,其常開觸點斷開,常閉觸點閉合,綠燈亮,指示斷路器已跳閘完畢,放開手柄后,SA復位至“跳閘后”位置。
當斷路器手動或自動重合在故障線路上時,保護裝置將動作跳閘,此時如果運行人員仍將控制開關放在“合閘”位置(SA5-8觸點接通),或自動裝置觸點KM1未復歸,斷路器SA5-8將再合閘。因為線路有故障,保護又動作跳閘,從而出現多次“跳—合”現象。此種現象稱為“跳躍”。斷路器若發生跳躍不僅會引起斷路器毀壞,而且還將擴大事故,所謂“防跳”措施,就是利用操作機構本身機械上具有的“防跳”閉鎖裝置或控制回路中所具有的電氣“防跳”接線,來防止斷路器發生“防跳”的措施。
圖4中所示控制回路采取了電氣“防跳”接線。其KL為跳躍閉鎖繼電器,它有兩個線圈,一個電流啟動線圈,串于跳閘回路中;另一個電壓保護線圈,經過自身常開觸點KL1與合閘接觸器線圈并聯。此外在合閘回路中還串有常閉觸點KL2,其工作原理如下:
當利用控制開關(SA)或自動裝置(KM1)進行合閘時,若合在故障線上,保護將動作,KOM觸點閉合,使斷路器跳閘。跳閘回路接通的同時,KL電流線圈帶電,KL動作,其常閉觸點KL2斷開合閘回路,常開觸點KL1接通KL的電壓自保持線圈。此時,若合閘脈沖未解除(如SA未復歸或KM1卡住等),則KL電壓自保持線圈通過觸點SA5-8或KM1的觸點實現自保持,使KL2長期打開,可靠地斷開合閘回路,使斷路器不能再次合閘。只有當合閘脈沖解除(即KM1斷開或SA5-8切斷),KL的電壓自保持線圈斷電后,回路才能恢復至正常狀態。
圖4中KL3的作用是用來保護出口繼電器觸點KOM的,防止KOM先于QF打開而被燒壞。電阻R1的作用是保證保護出口回路中當有串接的信號繼電器時,信號繼電器能可靠動作。

圖4 具有燈光監視的斷路器控制回路圖(電磁操作機構)
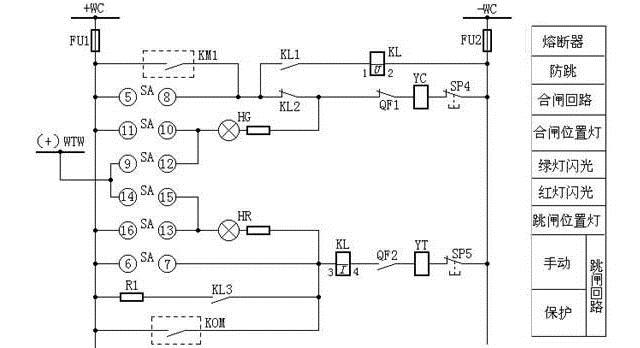
液壓操作機構的斷路器控制、信號回路圖
液壓機構的工作壓力,各廠家有一定差異,以北京開關廠出品CY3型為例,在20℃時,額定貯氣筒壓力為11.7±0.98MPa,額定壓力17.65MPa,當溫度變化1℃時,預充壓力變化0.045MPa。
圖5中,當液壓低于14.72MPa,合閘回路中的壓力觸點SP4斷開,不允許合閘;當液壓低于13.73MPa,跳閘回路中的壓力觸點SP5斷開,不允許跳閘,如電網運行允許,也可用這個觸點啟動中間繼電器后,作用于跳閘。
當壓力低于15.72MPa,3SP3觸點閉合,發出油壓降低信號;當液壓低于16.72MPa時,觸點SP1、SP2閉合,啟動油泵打壓,當油壓上升到18.63 MPa時,SP1、SP2均斷開,油泵停止打壓。當壓力低于9.8MPa或高于24.5MPa時,由壓力表的觸點PP1、PP2啟動KM3發出壓力異常信號,還可以利用KM3常閉觸點閉鎖油泵電動機啟動接觸器的啟動回路(圖中未示出),防止當油壓降到零時,啟動油泵可能造成斷路器的慢分事故。


圖5 具有液壓操作機構的斷路器控制、信號回路圖
彈簧貯能操作機構的斷路器控制、信號回路圖
圖6為SW4-110型斷路器配彈簧操作機構的斷路器控制、信號回路,在其合閘線圈中串有彈簧已貯能閉鎖觸點SQS1只有彈簧貯能后,才能合閘;當設有自動重合閘,如重合于永久性故障時,彈簧來不及貯能(需9S),故不能第二次重合。為可靠起見,仍加了“防跳”回路。
當KAC由跳閘位置繼電器的KQT啟動時,KQT線圈的一端應接至SQS與QF之間。如按以往接線,接于SQS之前,當KAC動作,重合于永久性故障后,此時彈簧貯能釋放,SQS打開,KQT失電,斷開KAC的啟動回路,重合閘繼電器中的電容又重新充電足夠時,待彈簧重新貯能后,SQS閉合,KQT線圈帶電,KAC啟動,又進行一次重合閘。此種情況,如不及時斷開控制開關,還會反復進行多次。

圖6 彈簧貯能操作機構的斷路器控制、信號回路圖
由兩個中間繼電器構成的閃光裝置接線圖
由兩個中間繼電器構成的閃光裝置的原理接線見圖7圖所示。當某一斷路器的位置與其控制開關不對應時,閃光母線(+)WTW經“不對應”回路,信號燈(HR或HG)及操作線圈(YT或YC)與負電源接通,KM1啟動,KM1常開觸點閉合,KM2相繼啟動,其常開觸點將KM1線圈短接,并使閃光母線直接與正常電源溝通,信號燈(HR或HG)全亮;當KM1觸點延時斷開后,KM2失磁,其常開觸點斷開,常閉觸點閉合,KM1再次啟動,閃光母線(+)WTW經KM1線圈與正電源接通,“不對應”回路中的信號燈呈半亮,重復上述過程,便發出連續的閃光信號。KM1及KM2帶延時復位,是為了使閃光變得更加明顯。
圖7中,試驗按鈕SE的信號燈HW用于模擬試驗。當撳下SE時,閃光母線(+)WTW經信號燈HW與負電源接通,于是閃光裝置便按上述順序動作,使試驗燈HW發出閃光信號。HW經按鈕的常閉觸點接在正、負電源之間,因而兼作閃光裝置熔斷器的監視燈。

圖7 由兩個中間繼電器構成的閃光裝置接線圖
由閃光繼電器構成的閃光裝置接線圖
圖8中,由KM、R、C組成閃光繼電器。按下按鈕SE時,它相當于一個不對應回路,閃光母線與負電源接通,閃光繼電器KTW的線圈回路接通 ,電容器C經附加電阻R和“不對應”回路中的信號燈充電,于是加在KM兩端的電壓不斷升高,當達到其動作電壓時,KM動作,其常開觸點KM.2閉合,閃光母線(+)WTW與正電源直接接通,信號燈全亮。同時其常閉觸點KM.1斷開它的線圈回路,電容C 便放電,放電后,電容C 的端電壓逐漸降低,待降至KM的返回電壓時,KM復歸,KM.2斷開,KM.1閉合,閃光母線經KM、KM.1與正電源接通,信號燈呈半亮。重復上述過程,便發出連續閃光。

圖8 由閃光繼電器構成的閃光裝置接線圖
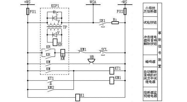
用ZC-23型沖擊繼電器構成的事故信號裝置的回路圖
常用中央復歸能重復動作的事故信號裝置。所謂中央復歸能重復動作的事故信號,是指斷路器自動跳閘后,為使值班人員不受音響信號長期干擾而影響事故處理,可以保留綠燈閃光信號而僅將音響信號立即解除。
圖9中KSP1為ZC-23型沖擊繼電器,脈沖變流器T一次側并聯的二極管V和電容器C起抗干擾作用;二次側并聯的二極管V的作用是將T的一次側電流突然減小而在二次側感應的電流旁路,使干簧繼電器KR不誤動(因干簧繼電器動作沒有方向性)。其原理是當斷路器事故分閘或按下試驗按鈕SE1時,脈沖變流器T一次繞組中有電流增量,二次繞組中感應電流起動KR,KR動作后起動中間繼電器KM。KM有兩對觸點,一對觸點閉合起動蜂鳴器HB,發出音響信號;另一對觸點閉合起動時間繼電器KT1,經一定延時后,KT1起動KM1,KM1動作后,使KM失磁返回,音響停止,整個事故信號回路恢復到原始狀態。
準備第二臺斷路器跳閘時發出音響,不對應啟動回路如圖10。圖9中常開觸點KM2是由預告信號裝置引來的(見圖11),所以自動解除音響用的時間繼電器KT1和中間繼電器KM1為兩套音響信號裝置所共用。
為能試驗事故音響裝置的完好與否,另設有試驗按鈕SE1,按SE1時,即可啟動KSP1,使裝置發出音響并按上述程序復歸至原始狀態。按下手動復歸按鈕也可使音響信號解除。

圖9 用ZC-23型沖擊繼電器構成的事故信號裝置的回路圖

圖10 用ZC-23型沖擊繼電器構成的事故信號裝置回路圖
用ZC-23型沖擊繼電器構成的中央復歸能重復動作瞬時預告信號裝置的回路圖
預告信號裝置是當設備發生故障或某些不正常運行情況時能自動發出音響和光字牌燈光信號的裝置。它可幫助運行人員及時地發現故障及隱患,以便采取適當措施加以處理,防止事故擴大。變電所常見的預告信號有:變壓器輕瓦斯動作、變壓器過負荷、變壓器油溫過高、電壓互感器二次回路斷線、直流回路絕緣降低、控制回路斷線、事故音響信號回路熔斷器熔斷、直流電壓過高或過低等。
預告信號一般發自各種監測運行參數的單獨繼電器,例如過負荷信號由過負荷保護繼電器發出。
預告信號分瞬時預告信號和延時信號兩種,對某些當電力系統中發生短路故障可能伴隨發出的預告信號,例如:過負荷、電壓互感器二次回路斷線等,都應帶延時發出,其延時應大于外部短路的最大切除時限。這樣,在外部短路切除后,這些由系統短路所引起的異常就會自動消失,而不讓它發出警報信號,以免分散運行人員的注意力。
目前,廣泛采用的中央復歸帶重復動作的預告信號裝置,其動作原理與事故音響信號裝置相同,所不同的是只是用光字牌燈泡代替了事故音響信號裝置不對應啟動回路中的電阻R,并用警鈴代替了蜂鳴器,圖11所示為由ZC-23型沖擊繼電器構成的中央復歸能重復動作瞬時預告信息裝置接線圖,其動作原理與圖9相似,圖中KM1由圖15引來,用以自動解除音響,WSW1和WSW2為瞬時預告小母線。
當設備發生不正常情況時,例如控制回路斷線,則KBC2動作,其常開觸點閉合,通過回路+WS → KBC2常開觸點 → HP2 → WSW1和WSW2 → ST13-14 → ST15-16 → KSP2 → -WS,使KSP2動作,觸點KM2閉合,使警鈴HA發出音響信號,同時光字牌HP2示出“控制回路斷線”信號,按下解除按鈕SCL,音響即可解除(也可經一定延時,自動解除),而光字牌信號直到故障消除,KBC2觸點返回才會消失。由于采用了ZC-23型繼電器,因而信號是可以重復動作的。為能經常檢查光字牌燈泡的完好性,設有轉換開關ST。處于“合”位時,ST觸點1-2、3-4、5-6、7-8、9-10、11-12全接通,分別將信號電源+WS和-WS接至小母線WSW2和WSW1,使光字牌所有的燈泡亮。發預告信號時,兩只燈泡是并聯的,燈泡明亮,當其中一只燈泡損壞時,仍能保證發出信號。而試驗光字牌時,兩只燈泡則是串聯的,因而燈光較暗,此時若一只燈泡損壞則該光字牌即不亮。
預告信號裝置由單獨的熔斷器FU3、FU4供電,若FU3或FU4熔斷則不能發出預告信號,所以對熔斷器電源采用了燈光監視的方法。圖E34為預告信號裝置的熔斷器監視燈接線圖。正常運行時,熔斷器監視繼電器K2帶電,其常開觸點閉合,中央信號屏上的白色指示燈HW亮;當FU3熔斷時,K2失電,其常閉觸點閉合,HW被接至閃光小母線(+)WTW上發出閃光。

圖11 用ZC-23型沖擊繼電器構成的中央復歸能重復動作瞬時預告信號裝置的回路圖

圖12 預告信號裝置的熔斷器監視燈接線圖
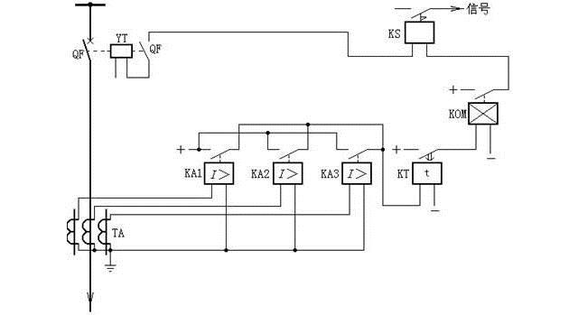
定時限過電流保護的原理接線圖
如圖13,當被保護線路發生故障時,短路電流經電流互感器TA流入KA1—KA3,短路電流大于電流繼電器整定值時,電流繼電器啟動。因三只電流繼電器觸點并聯,所以只要一只電流繼電器觸點閉合,便啟動時間繼電器KT,按預先整定的時限,其觸點閉合,并啟動出口中間繼電器KOM。KOM動作后,接通跳閘回路,使QF斷路器跳閘,同時使信號繼電器動作發出動作信號。由于保護的動作時限與短路電流的大小無關,是固定的,固稱為定時限過電流。

圖13 定時限過電流保護的原理接線圖
方向過電流保護的原理接線圖
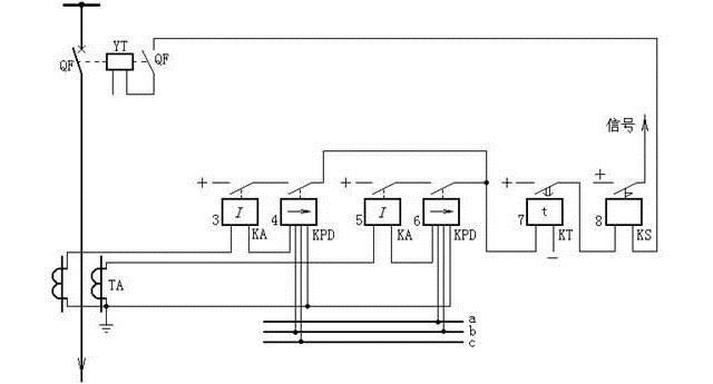
方向過流的保護原理接線如圖14所示,電流繼電器3、5是啟動元件,功率方向繼電器4、6是方向元件,采用90°接線(UbcIA及UabIc)。各相電流繼電器的觸點和對應功率方向繼電器觸點串聯,以達到按相啟動的作用。時間繼電器7是使保護裝置獲得必要的動作時限,其觸點閉合,經信號繼電器8發出跳閘脈沖,使斷路器QF跳閘。
方向過電流保護,由于加裝了功率方向繼電器,因此線路發生短路時,雖然電流繼電器都可能動作,但只有流入功率方向繼電器的電流與功率方向繼電器規定的方向一致時(當規定指向線路時,即一次電流從母線流向線路時),功率方向繼電器才動作,從而使斷路器跳閘。而當流入功率方向繼電器的電流與功率方向繼電器規定的方向相反時(即一次電流從線路流向母線時),功率方向繼電器不動作,將方向過電流保護閉鎖,保證了方向過電流保護的選擇性。
在正常運行時,負荷電流的方向也可能符合功率方向繼電器的動作方向,其觸點閉合,但此時電流繼電器未動作,所以整套方向過電流保護仍被閉鎖不動作。
方向過電流保護的動作時限,是將動作方向一致的保護,按逆向階梯原則進行整定的。

圖14 方向過電流保護的原理接線圖
三段式電流保護接線圖
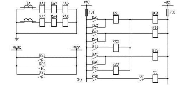
線路三段式電流保護的原理接線圖及展開圖如圖15所示。其中KA1、KA2、KS1構成第Ⅰ段瞬時電流速斷;KA3、KA4、KT1、KS2構成第Ⅱ段限時電流速斷;KA5、KA6、KT2、KS3構成第Ⅲ段定時限過電流。三段保護均作用于一個公共的出口中間繼電器KOM,任何一段保護動作均啟動KOM,使斷路器跳閘,同時相應段的信號繼電器動作掉牌,值班人員便可從其掉牌指示判斷是哪套保護動作,進而對故障的大概范圍作出判斷。

圖15a 三段式電流保護接線原理圖

圖15b 三段式電流保護接線展開圖
三段式零序電流保護原理接線圖
三段式零序電流保護的原理接線如圖16,在被保護線路的三相上分別裝設型號和變比完全相同的電流互感器,將它們的二次繞組互相并聯,然后接至電流繼電器的線圈。當正常運行和發生相間故障時,電網中沒有零序電流,故IR=0,繼電器不動作,只有發生接地故障時,才出現零序電流,如其值超過整定值,繼電器就動作。
實際工作中,由于三只電流互感器的勵磁特性不一致,當發生相間故障時,會造成較大的不平衡電流。為了使保護裝置在這種情況下不誤動作,通常將保護的動作電流按躲過最大不平衡電流來整定。
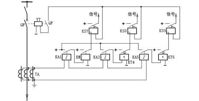
與相間短路的電流保護相同,零序電流保護也采用階段式保護,通常采用三段式。目前的“四統一”保護屏則采用四段式。圖16為三段式零序電流保護的原理接線圖。瞬時零序電流速斷(零序Ⅰ段有,由KA1、KM和KS7構成),一般取保護線路末端接地短路時,流過保護裝置3倍最大零序電流3Iom的1.3倍,保護范圍不小于線路全長的15%-25%。
零序Ⅱ段(由KA3、KT4和KS8構成)的整定電流,一般取下一級線路的零序Ⅰ段整定電流的1.2倍,時限0.5s,保證在本線末端單相接地時,可靠動作。
零序Ⅲ段(由KA5、KT6和KS9構成)的整定電流可取零序Ⅱ(或Ⅲ)段整定的1.2倍,或大于三相短路的最大不平衡電流,其靈敏性要求下一級末端故障時,能可靠動作。

圖16 三段式零序電流保護原理接線圖
方向橫聯差動保護的原理圖
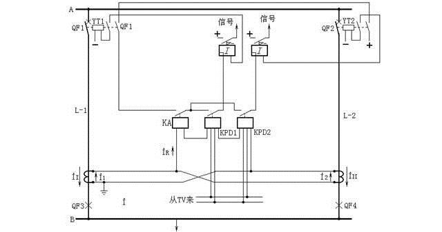
雙回線橫聯差動保護裝置是由電流啟動元件和功率方向元件組成,圖17a中,功率方向繼電器KPD1和KPD2的電流線圈與電流繼電器KA串聯接于雙回線的電流差上。功率方向繼電器KPD1與KPD2加進同一電壓(接母線電壓互感器),但極性相反。在I1>I2(即同一回線上發生故障)時,左邊的方向繼電器KPD1的轉矩為正,而右邊的方向繼電器KPD2的轉矩為負;反之,在I2>I1 (即另一回線上發生故障)時,KPD2的轉矩為正,KPD1的轉矩為負。這樣兩回線路中任一回線路上發生故障時,電流繼電器KA均啟動保護裝置,而兩個功率方向繼電器則用來判別故障線路。
正常及外部故障時,i1=i2、iR=0 、保護不動作。
在線路L-1上K點故障時,ⅰ1>ⅰ2 ,所以ⅰR =ⅰ1-ⅰ2>ⅰs,電流繼電器KA1啟動,功率方向繼電器KPD1觸點閉合,KPD2觸點不閉合,保護動作跳開斷路器QF1。在線路受端,流入繼電器的電流ⅰR =ⅰ1+ⅰ2 [見圖17b],使電流繼電器KA2、功率方向繼電器KPD3動作,而KPD4不動作,從而使斷路器QF3跳閘。同理在線路L-2上短路時,送端KA1、KPD2動作,受端KA2、KPD4動作,同時跳開斷路器QF2、QF4。
為防止單回線運行時,橫聯差動保護在外部故障時誤動作,保護的直流電源經雙回線兩個開關的常開輔助觸點串聯閉鎖,只有當兩個開關同時接入時,保護才作用。
方向橫聯差動保護的動作電流應大于穿越性故障時在差電流回路中引起的最大不平衡電流。

圖17a 方向橫聯差動保護的原理圖(一相的原理接線)

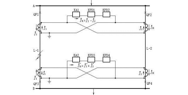
圖17b 方向橫聯差動保護的原理圖(線路內部故障的電流分布)
推薦閱讀
電工必讀的30個高壓電氣二次回路圖(第二部)
