
晶體管輸出類型的PLC是不能直接接交流接觸器的線圈,但是可以找到一個“中介”,晶體管輸出類型的PLC驅動“中介”,然后“中介”控制交流接觸器線圈的接通,這個中介是何方神圣呢?這個中介就是中間繼電器,需要注意的是這個中間繼電器的線圈的電壓等級必須是直流24V,該中間繼電器和底座兩部分構成了圖中所示的中間繼電器,上面的繼電器是插在底座上面的,與中間繼電器的接線是通過連接底座上端子構成。

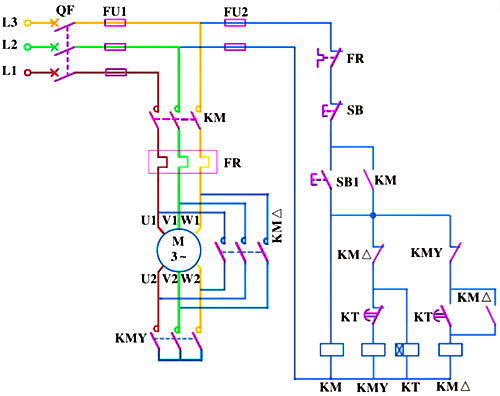
下面以三相異步電動機星-三角形降壓起動為例,講解晶體管輸出類型的PLC怎么驅動交流接觸器的線圈。下圖是三相異步電動機星-三角形降壓起動的電氣原理圖,將電氣原理圖中的控制電路用PLC控制實現。PLC選擇S7-1200,CPU為1215C DC/DC/DC型號。

首先確定PLC的輸入量與輸出量,通過分析控制電路可知,輸入量為啟動按鈕SB1、停止按鈕SB2和熱繼電器觸點FR,輸出量為KM線圈、KM星線圈和KM角線圈。I/O地址分配表如下表所示。

根據I/O地址分配表和PLC型號,設計PLC的外部接線圖和繼電器轉換電路如下圖所示。PLC的繼電器輸出類型輸出端接三個中間繼電器,然后用相應中間繼電器的常開觸點控制相應交流接觸器的線圈即繼電器轉換電路。繼電器轉換電路的電源電壓等級是由交流接觸器的線圈額定電壓確定的,通過上述方面就可以實現了晶體管輸出類型的PLC驅動交流接觸器。

通過上述分析總結如下:
1、晶體管輸出類型的PLC只能接直流負載,不能接交流負載;
2、如果晶體管輸出類型的PLC需要驅動交流接觸器的線圈時,需要中間繼電器作為中介,先由晶體管輸出類型的PLC需要驅動中間繼電器,在經過繼電器轉換電路,即由中間繼電器的常開觸點控制交流接觸器線圈得電;
3、中間繼電器的線圈的電壓等級必須是直流24V;
4、繼電器轉換電路的電源電壓等級是由交流接觸器線圈的額定電壓確定。
相關閱讀
S7-1200 PLC系統接地規范
S7-1200 CPU型號的性能和接線 S7-1200入門必讀
