1、S7-1200 PLC系統的接地總原則
西門子產品中S7-1200 PLC屬于中小型的PLC,在接地過程中,應注意以下原則:
◆ 將應用設備接地的最佳方式是確保S7-1200 PLC和相關設備的所有公共端和接地連接在同一個點接地。
◆ 該點應該直接連接到系統的大地接地。
◆ 所有地線應盡可能地短且應使用大線徑,例如2mm(14AWG)。
◆ 確定接地點時,應考慮安全接地要求和保護性中斷裝置的正常運行。
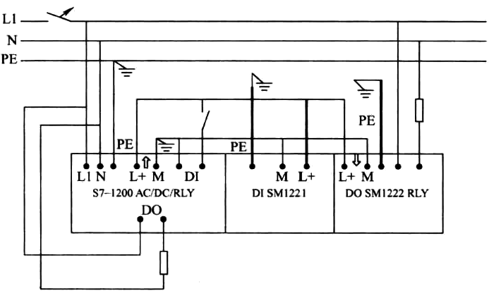
S7-1200 PLC系統如圖1所示。

圖1 S7-1200 PLC系統
①CPU及系統供電
a、交流供電系統
系統取交流電源(L1、N、PE)給S7-1200 PLC系統供電。須將CPU的PE端子連接到系統的PE進行接地處理,如圖2所示。

圖2 S7-1200 PLC系統的交流供電及接地
CPU側的實際接線中,應將PE進行接地處理,如圖3所示。

圖3 S7-1200 PLC交流電源端子處的PE做接地處理
其中CPU還為其他模板或負載提供了DC24V供電電源。在大部分的安裝中,可以把該DC24V電源的M端接地(例如連接到機殼接地),以獲得最佳的噪聲抑制效果。
b、直流供電系統
同樣,對于直流供電的CPU,在大部分的應用中,把所有的DC電源的M接到地可以得到最佳的噪聲抑制;在未接地的DC電源的公共端與保護地間可并聯電阻與電容(RC元件)。電阻提供了靜電釋放通路,電容提供高頻噪聲通路,如圖4所示。

圖4 S7-1200 PLC系統的直流供電及接地
在CPU側的實際接線中,應將PE進行接地處理,如圖5所示。

圖5 S7-1200 PLC系統的直流供電及接地
②數字量模板的使用
A、數字量模板的接地及接地要求
a、盡量采用可能短的導線
◆ 數字量輸入:最長為500m屏蔽線,或300m非屏蔽線;
◆數字量輸出:最長為500m屏蔽線,或150m非屏蔽線。
b、導線要盡量成對使用,用一根中性或公共導線與一根信號線或電源線相配對;
c、數字量輸出模塊抑制保護。
B、感性負載的使用準則
◆ 數字量輸出負載為感性負載時,為防止輸出斷開時的高壓瞬變干擾,須增加抑制回路,可能導致PLC運行中斷或至設備損壞;
◆ S7-1200 PLC的DC輸出回路內部集成了抑制電路,該電路足以滿足大多數應用對感性負載的要求;
◆由于S7-1200 PLC繼電器輸出觸點可用于開關直流或交流負載,所以未提供內部保護;
◆對于交流負載,可將壓敏電阻(MOV)或其他電壓抑制設備與并聯RC電路配合使用,但不如單獨使用有效。壓敏電阻(MOV)通常會導致出現高達鉗位電壓的顯著高頻噪聲。
C、選擇保護回路
可以采用下面的指導來設計合適的抑制電路。設計的有效性取決于實際的應用,所以必須調整其參數以適應實際應用。要保證所有的器件參數與實際應用相符合。
a、用于直流輸出和控制直流負載的繼電器輸出的保護電路
S7-1200 PLC的DC輸出包括內部抑制電路,該電路足以滿足大多數應用對感性負載的要求。由于S7-1200 PLC繼電器輸出觸點可用于開關直流或交流負載,所以未提供內部保護。
對于直流通道外加續流回路,其原理類似于繼電器線圈外加浪涌抑制器,如圖6所示。

圖6 直流繼電器的外加續流回路
在使用過程中,應將續流回路連接到模板上,并注意:
◆在大多數應用中,只需在直流感性負載兩端增加一個二極管,圖7中的A;
◆應用大電感或頻繁開關的感性負載,要求更快的關閉時間,建議可再增加一個穩壓二極管,如圖7中的B。
◆請確保正確選擇穩壓二極管,以適合輸出電路中的電流量。

圖7 DC線圈產生的浪涌的抑制回路
說明:1指1N4001二極管或同等元件;2指8.2V穩壓二極管(直流輸出),36V穩壓二極管(繼電器輸出);3指輸出點;4指M、24V參考
b、用于開關AC感性負載的繼電器輸出的保護電路
使用繼電器輸出控制AC115V/AC230V負載時,應當在繼電器輸出觸點輸出負載上跨接RC回路,如圖8所示,或使用壓敏電阻(MOV)來線制峰值電壓,注意選擇MOV的工作電壓比正常的線電壓至少高出20%。

圖8 AC線圈產生的浪涌的抑制
說明:1指關于C值,請參見表格;2指關于R值,請參見表格;3指輸出點
對于繼電器輸出通道外加續流回路,其原理類似于交流接觸器線圈外加吸收回路,如圖9所示。

圖9 繼電器輸出通道外加續流回路
③模擬量模板的接地要求
A、線纜的要求
◆盡量采用可能短的導線,模擬量輸入/輸出:100m屏蔽雙絞線;
◆使用屏蔽線以便最好地防止電噪聲。
通常在S7-1200 PLC端將屏蔽層接地能獲得最佳效果。連接方式參考S7-300 PLC的模擬量信號線的屏蔽層處理方式。
B、模擬量輸入連接
a、連接4線制傳感器
連接4線制傳感器,建議將傳感器信號負端和電源M做等電位處理,同時將模塊的PE和24V的M做好接地,防止干擾,如圖10所示。

圖10 S7-1200 PLC連接4線制傳感器示意圖
b、連接3線制傳感器
3線制傳感器的電源負端和輸出信號的負端都是公共的,可以取模塊的24V電源給傳感器供電,傳感器輸出的正接模塊通道正,通道負接電源M,將木塊的PE和24V的M做好接地,防止干擾,如圖11所示。

圖11 S7-1200 PLC連接3線制傳感器示意圖
c、連接2線制傳感器
連接2線制傳感器時,由于S7-1200 PLC通道無法向外供電,需要傳感器外部串入DC24V電源。可以取模塊的24V電源給傳感器供電,24V的正接傳感器的正端,傳感器的負端和模塊通道正連接,通道負接電源M,將模塊的PE和M做好接地,防止干擾,如圖12所示。

圖12 S7-1200 PLC連接3線制傳感器示意圖
2、接地電纜的要求
①使用正確的導線,確保線徑適合承載所需電流:S7-1200 CPU和SM模塊連接器接受0.3-2mm2(14-22AWG)的線徑;SB信號板連接器接受0.3-1.3mm2(16-22AWG)的線徑。
②交流線和高能量快速開關的直流線與低能量的信號線和通信電纜隔開并始終對布線中性線或公共線與相線或信號線成對。
③所有地線應盡可能短且應使用大線徑例如2mm2(14AWG)。
