在《IEC60715-2017》《DIN EN 60715》中規定了關于安裝導軌型號及生產尺寸的相應說明,同樣有國標與此國際標準對應《GB/T19334-2021低壓開關設備和控制設備的尺寸在開關設備和控制設備及其附件中作機械支承的標準安裝軌》標準使用翻譯法等同于IEC60715:2017(2.0版)。

安裝導軌尺寸
標準中包括了以下幾種截面的導軌
1、TH型安裝導軌尺寸
◆寬15mm的TH15安裝導軌尺寸

◆儀表和電氣常用的寬35mm的TH35安裝導軌尺寸

◆寬75mm的TH75安裝導軌尺寸

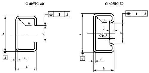
2、C型安裝導軌尺寸


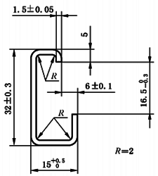
3、G32型安裝導軌尺寸

在TH型安裝導軌中說明了以下尺寸型號:TH15;TH35;TH75;在C型安裝導軌中說明了以下尺寸型號:C20;C30;C40;C50;在G型安裝導軌中說明了以下尺寸型號:G32 。
安裝導軌基本范圍差別不大,標準也是生產廠商應該看的,用戶只需購買使用即可。
相關閱讀
◆儀表法蘭知識
◆儀表冷凝罐和測溫擴大管制作DIY
◆儀表工如何看懂呼號法儀表電氣接線圖
