斷路器的極限短路分斷能力Icu
極限短路分斷能力Icu是指在規定的條件下(電壓、電流、功率因數等等)斷路器的分斷能力,并且分斷后不考慮斷路器能否繼續承載它的額定電流。Icu這個參數表征了斷路器的極限分斷能力,同時對斷路器來說也是破壞性試驗。
極限短路分斷能力Icu的試驗程序是:O-t-CO,即打開-延時-閉合后立即打開。這里的t延遲休息時間一般不小于3分鐘。
試驗線路如果處于O程序,斷路器處于分斷狀態。CO試驗時使斷路器合閘,然后立即分斷。這里的合閘C是考核斷路器在經受了接通電流(峰值電流)以后,是否會因為峰值電流產生的電動斥力沖擊和熱沖擊而損壞。如果斷路器能夠在合閘后立即分斷,并且還能熄滅電弧,則說明該斷路器的CO試驗成功。
斷路器運行短路分斷能力Ics
運行短路分斷能力是指在規定的條件下(電壓、電流、功率因數等等)斷路器的分斷能力,并且分斷后斷路器還能繼續承載它的額定電流。由此可見,Ics表征了斷路器的重復分斷能力。
運行短路分斷能力Ics的試驗程序是:O-t-CO-t-CO,即打開-延時-閉合后立即打開-延時-閉合后立即打開。
與極限短路分斷能力Icu的試驗程序相比,運行短路分斷能力Ics的試驗程序多了一個CO。當試驗順利完成后,還需要做工頻耐壓驗證、溫升驗證、過載脫扣器性能驗證和操作性能驗證。操作性能驗證是在同樣的工作電壓加載了額定電流,讓斷路器反復操作的次數為電壽命的5%。試驗合格的判定標準是:每個試驗程序都合格,并且斷路器的外殼不應破碎,但允許有裂縫。
額定短路分斷能力Icu和額定運行短路分斷能力Ics之間的關系
Icu表征了斷路器在閉合狀態下能夠分斷的極限短路電流值,并且分斷后斷路器有可能已經損壞;Ics則表征了斷路器在閉合狀態下能夠分斷的短路電流值,并且分斷后斷路器仍然能正常工作。在實際使用斷路器時,最重要的參數是額定運行短路分斷能力Ics。
值得注意的是:在GB14048.2-2008《低壓開關設備和控制設備 第2部分:斷路器》/IEC 60947-2標準中提供的極限短路電流值是指沖擊短路電流的交流分量的有效值,也就是最高預期短路電流,并且其中不包含直流暫態分量。
在實際的低壓電網中,Icu的大小與短路回路的cosφ密切相關。在IEC 60947-2標準中給出了相關的表,具體見下表:

在IEC 60947-2標準中,規定Ics占Icu的比值序列為25%、50%、75%和100%。一般地,斷路器的Ics占Icu的比值為50%-75%。
在使用斷路器時,究竟是Icu還是Ics更能代表斷路器的分斷能力呢?答案應當是Icu更能代表斷路器的分斷能力。
設想短路電路中預期短路電流為65kA,其額定電流為2000A。若按Ics選擇某型斷路器,其Icu為75kA而Ics為65kA,但該斷路器的額定電流為2500-3200A,顯然無法對該電路中出現的過載電流實施有效保護;若按Icu選擇某型斷路器,則其額定電流為1000-2000A,正好覆蓋實際電路中的額定電流,完全能夠滿足過載保護的要求。
Ics常用于上下級配合時上級斷路器對短路電流的后備保護:若下級電路中發生短路時且下級斷路器出現故障未跳閘,則上級斷路器的Ics能確保本級斷路器能夠承受短路電流的沖擊且及時地啟動短路后備保護實現跳閘。
有關低壓斷路器的分斷能力試驗
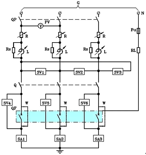
斷路器短路接通和分斷能力型式試驗的試驗線路見下圖所示:

圖中,G是電源;PV是電壓測量裝置;R是可調電阻;L是可調電抗器;Rs是分流電阻器;SV1~SV6是電壓傳感器;Q是接通電器;QF是被測斷路器;W是整定用臨時連接線;SA1~SA3是電流傳感器;FU是熔斷器;RL是限制故障電流的電阻器。
調整電路時用阻抗可以忽略不計的臨時連接線W來代替被試斷路器QF,連接線要盡量靠近QF的一次接線端子。調整可調電阻R和可調電抗L,使得從試驗整定波形圖上能確定某相的電流為預期接通電流。
在這里有一個關鍵因素,就是試驗電路的功率因數。只有準確地測定了功率因數后才能根據GB14048.1或者GB7251.1換算出峰值系數n,然后進一步確定出峰值電流。
當試驗電路調整好后,就用被測斷路器取代連接電纜W,接著就可以進行短路接通和分斷能力試驗了。斷路器的型式試驗是按程序進行的。
斷路器的型式試驗程序:
1、對于額定運行短路分斷能力的型式試驗,試驗過程是:額定運行短路分斷能力、操作性能、驗證介電耐受能力、驗證溫升、驗證過載脫扣器;
2、對于額定極限段分斷能力的型式試驗,試驗過程是:驗證過載脫扣器、驗證極限短路分斷能力、驗證介電耐受能力、驗證過載脫扣器。
我們先看額定運行短路分斷能力Ics的試驗。這個試驗適用于使用類別為A或B的斷路器。
Ics試驗程序:
額定運行短路分斷能力試驗、操作性能驗證試驗、驗證介電耐受能力試驗、驗證溫升試驗、驗證過載脫扣器試驗。
Ics試驗的操作程序為:O-t-CO-t-CO。這里的O表示打開操作,t表示適當的延時,CO表示閉合后經過一段適當的時間間隔后立即打開。
對于額定運行短路分斷能力的試驗Ics來說,t的時間長度為3分鐘。如果斷路器的前方還配備了熔斷器,則應該在每次動作后更換熔芯,其時間t會適當延長。
我們再看斷路器的額定極限短路分斷能力Icu的試驗。這個試驗同樣適用于使用類別為A和B的斷路器。注意:對于B類斷路器,其額定極限短路分斷能力Icw要比額定短時耐受電流Icw要高。
斷路器的額定極限短路分斷能力的型式試驗所進行的項目是:驗證過載脫扣器、驗證極限短路分斷能力、驗證介電耐受能力、驗證過載脫扣器。
額定極限短路分斷能力的試驗操作程序為:O-t-CO。
斷路器額定極限短路分斷能力試驗結果的圖如下:

從上圖的波形圖中可以識別出斷路器的短路接通能力Icm、斷路器的極限短路分斷能力Icu、斷路器的運行短路分斷能力Ics和斷路器的分斷能力Icn這四個參量。
例如,我們要測Icm,于是按照斷路器的參數取短路電流值,記錄下此時的波形,波形就能反映出具體的Icm參數。所以,對于每次的O和C,我們都要仔細去看它的波形,由此分析出斷路器的具體參數和性能。
試驗中的兩個CO與一個CO的區別很大,前者相當于對斷路器進行兩次考驗,而后者只有一次;其次,前者試驗時所用的模擬短路電流較小,后者較大,故Ics用于表達斷路器執行短路分斷后能夠重復使用的技術參數,而后者則用于只能執行一次性分斷操作的技術參數。
結論
對于用戶來說,也許更強調Ics。對于成套開關柜制造廠來說,Icu更重要。開關按Icu選配,可以降低制造成本。
作者:張白帆
相關閱讀
為什么負荷開關只能部分地取代斷路器
電機與配套的斷路器/接觸器/熱繼電器參數對照表
