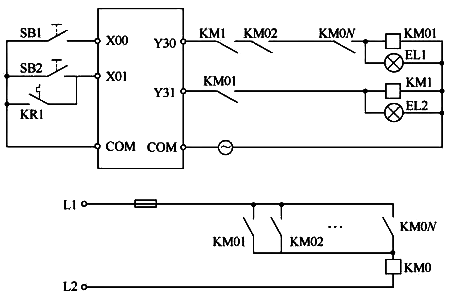
1、PLC自耦變壓器控制多臺電動機電路
電氣控制要求用一臺自耦變壓器起動多臺異步電動機應滿足以下要求:
①任意一臺電動機在起動過程中,其他電動機都不能起動。該電動機起動結束后才能起動下一臺電動機。任何電動機(不論停止,還是運行)都不能影響正在起動的電動機。
②起動任何一臺電動機時,首先使該電動機與自耦變壓器連接,減壓起動,不應有直接起動的可能性。
③控制系統應具有較強的容錯能力,即使出現誤操作,也不應出現有危害人身安全和設備安全的情況。
④對電動機應有必要的保護措施,如過載、過電流保護等。

圖1 PLC自耦變壓器控制多臺電動機主電路圖

圖2 PLC自耦變壓器控制多臺電動機PLC控制電路示意圖

圖3 自耦變壓器控制多臺電動機的PLC梯形圖
◆PLC自耦變壓器控制多臺電動機電路中PLC的輸入輸出定義
輸入/輸出地址 輸入/輸出元件 定義
X00 SB11 1號電動機起動
X01 SB12 1號電動機停止
X02 SB21 2號電動機起動
X03 SB22 2號電動機停止
Y30 KM01 1號電動機的起動接觸器
Y31 KM1 1號電動機的正常接觸器
Y32 KM02 2號電動機的起動接觸器
Y33 KM2 2號電動機的正常接觸器
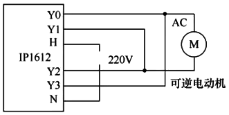
2、采用PLC進行電動機的正/反轉控制電路
圖4所示為電動機的接觸器正/反轉控制電路。采用PLC來控制這類電動機正/反轉時,在斷開正向控制觸頭到接通反向控制觸頭之間要有一段延時,如圖5所示。IP系列PLC的H端可以接相線或中心線,但兩組之間H端是相互絕緣的。由兩個輸入信號X0及X1可控制電動機的正轉、反轉及停止。圖6所示為電動機的正/反轉RLL程序,它的邏輯關系如表所示。

圖4 電動機的接觸器正/反轉控制電路

圖5 電動機的PLC正/反轉控制電路

圖6 電動機的正/反轉RLL程序
◆采用PLC進行電動機正/反轉控制的邏輯關系
輸入信號X0 輸入信號X1 電動機工作狀態
OFF OFF 停轉
ON OFF 正轉
OFF ON 反轉
ON ON 停轉(應避免使用)
若用這種方法去控制一臺三相交流電動機,則要仔細考慮Y0和Y1的瞬時接通,否則會使設備毀壞。
3、用PLC對噴漆機械手進行定位控制電路
用PLC對噴漆機械手進行定位控制是采用步進順序控制器分步控制的。
◆步進順序控制器的圖形符號
圖形符號 功能
R7內部繼電器為步進順序控制器的第一個線圈
R8-R14是步進順序控制器的后續七個繼電器線圈
步進順序控制器的常開觸頭,瞬時動作
步進順序控制器的常閉觸頭,瞬時動作

圖7 噴漆機械手的定位控制電路的原理圖

圖8 噴漆機械手的定位控制電路的梯形圖
昌暉儀表將在“分享八個電動機常用PLC應用電路(連載二)”中繼續分享PLC橋式起重機檢測控制電路、PLC電鍍專用行車控制電路、PLC砂處理生產線控制電路、PLC高壓離心風機控制電路和PLC多工步機床控制電路,期待您的關注。
