電爐、窯爐、工業路等行業需要精密溫度控制,控制效果好的溫控器、移相觸發器和可控硅是整套溫度控制系統的核心控制部件。昌暉移相觸發器應用單片機智能技術,功能強大且高可靠性,具有鋸齒波線性好、移相范圍寬、控制方式簡單,相位輸出保護、輸出電流大等優點。移相觸發器分為單相移相觸發器和三相移相觸發器,適用于雙向可控硅、兩個單向可控硅反并聯等交流半控、全控等橋式線路的相位控制。


移相觸發器特點
1、移相觸發器帶顯示面板,可在現場直接修改參數以適應不同工況。
2、移相觸發器采用計算機技術進行線性化功率修正,但負載為阻性時,其輸出功率與輸入信號成正比。
3、移相觸發器具有移相控制功能,既可由面板手操,也可由外接電位器設定,或跟蹤模擬輸入值。
4、移相觸發器采用全光電隔離及“燒不壞”技術,可靠性高,對輸入端干擾小
5、移相觸發器具有電流或電壓信號輸入,同時輸入可隨時標定零點和滿度以適應不同要求。
6、移相觸發器具有內部限流設定或電位器限流設定功能。
7、電流反饋或延遲時間可調的軟啟動/軟停止技術,可適應硅鉬棒、鎢絲、電動機及感性負載
8、移相觸發器具有輕微過流、較大過流、三相不平衡、缺相報警等功能。
9、移相觸發器連接方式多樣,適用于可控硅不同應用組合。
10、安裝于DIN35mm導軌上。

移相觸發器技術參數
1、工作電源:AC220V±20V;50Hz±5%。
2、工作環境:溫度:0-50℃;濕度:10-85%RH(無結露);無強磁場;無強烈振動。
3、輸入信號:電流(4-20mA或0-10mA);電壓(1-5V或0-10V)。
4、輸出能力:驅動可控硅(觸發脈沖4V/200mA,0.1mS)。
5、安裝方式:導軌式安裝。
6、安裝尺寸
①YR-ZKH-B1單相移相觸發器安裝尺寸:155(寬)×110(高)×60(深)mm

②YR-ZKH-B3三相移相觸發器安裝尺寸:250(寬)×110(高)×64(深)mm

③無顯示面板SWP-ZKH-B1單相移相觸發器安裝尺寸:71(寬)×110(高)×60(深)mm

④無顯示面板SWP-ZKH-B3三相移相觸發器安裝尺寸:71(寬)×110(高)×60(深)mm
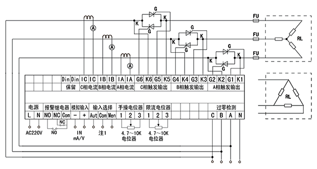
移相觸發器接線圖
①YR-ZKH-B1-KP1型單相移相觸發器接線圖(單向可控硅反并聯)

②YR-ZKH-B1-KS1型單相移相觸發器接線圖(雙向可控硅)

③YR-ZKH-B1-KZ1型單相移相觸發器接線圖(半控橋式整流)

④YR-ZKH-B3-KP1型三相移相觸發器接線圖(單控+單向可控硅反并聯)

⑤YR-ZKH-B3-KS1型三相移相觸發器接線圖(單控+雙向可控硅)

⑥YR-ZKH-B3-KZ1型三相移相觸發器接線圖(單控+半控整流)

⑦YR-ZKH-B3-KP3型三相移相觸發器接線圖(全控+單向可控硅反并聯,△形接法或Y形接法星點不接N)

⑧YR-ZKH-B3-KS3型三相移相觸發器接線圖(全控+雙向可控硅,△形接法或Y形接法星點不接N)

⑨YR-ZKH-B3-KY3型三相移相觸發器接線圖(半控+單向可控硅與整流管反并聯,△形接法或Y形接法星點不接N)

⑩YR-ZKH-B3-KZ3型三相移相觸發器接線圖(半控+三相半控整流)

?YR-ZKH-B3-KP4型三相移相觸發器接線圖(單向可控硅反并聯,Y形接法星點接N)

?YR-ZKH-B3-KS4型三相移相觸發器接線圖(雙向可控硅,Y形接法星點接N)

?SWP-ZKH-B1型單相移相觸發器接線圖(單向可控硅移相觸發)
?SWP-ZKH-B1型單相移相觸發器接線圖(雙向可控硅移相觸發)
?SWP-ZKH-B1型單相移相觸發器接線圖(單向可控硅反并聯移相觸發)
移相觸發器配套溫控器
